Pant regulovatelný osový s třmenem M24 pant s třmenem m24, osový závěs brány, navařovací oko, CAIS řada 40
Kód: 7908/H 4 7908/HN 7908/HP Zvolte variantuDetailní popis produktu
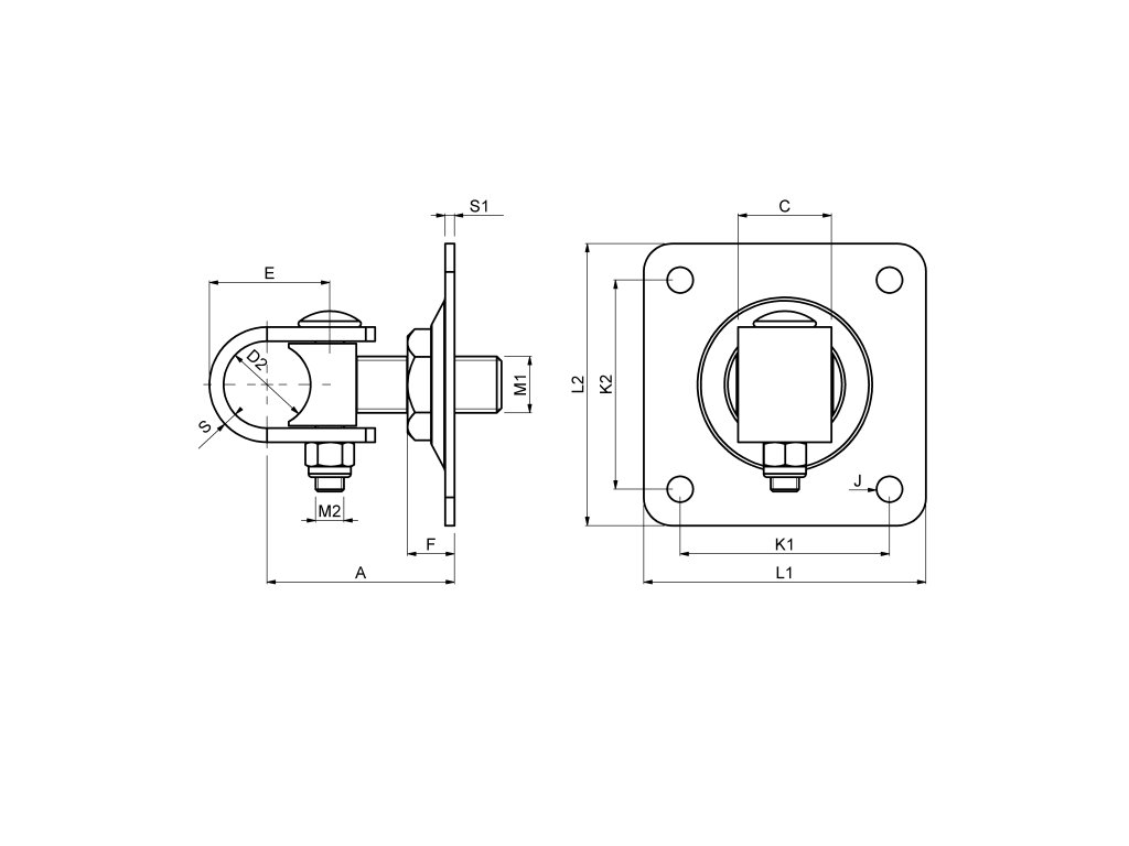
Tento pant od českého výrobce CAIS využívá svěrný systém pro uchycení rámu brány do ocelového třmenu. Hlavní výhodou je, že rám brány nemusíte k pantu přivařovat, ale pouze ho zasunete do objímky a pevně zajistíte.
Hlavní přednosti a technické detaily:
Svěrné spojení: rám brány se vloží do třmenu a zajistí bočním šroubem M12. Tento způsob montáže je vhodný pro brány s již hotovou povrchovou úpravou, například po zinkování nebo lakování, protože nedochází k poškození povrchu svárem.
Jednoduché seřízení: dlouhý závit M24 umožňuje kdykoliv měnit vzdálenost křídla od sloupu. Tímto způsobem lze přesně vyrovnat svislou polohu brány, pokud se sloupky mírně pohnou nebo terén v průběhu času sedne.
Varianty kotvení: produkt nabízíme ve třech provedeních pro různé typy sloupů. Verze H 40 a HN 40 se kotví skrz kovový sloupek pomocí matic. Verze HP 40 R se upevňuje na zděný nebo betonový pilíř pomocí montážní plotny.
Únosnost: u všech tří variant této řady (H 40, HN 40 i HP 40 R) je únosnost 240 kg na jeden pár pantů. Komponenty jsou galvanicky zinkovány pro ochranu proti korozi.
Technické parametry variant (pro 1 pár):
Varianta H 40 (s maticemi):

Varianta HN 40 (s maticí a podložkou):

Varianta HP 40 R (s navařovací plotnou):

Diskuze
Buďte první, kdo napíše příspěvek k této položce.
.png)


